English
Español
Português
русский
Français
日本語
Deutsch
tiếng Việt
Italiano
Nederlands
ภาษาไทย
Polski
한국어
Svenska
magyar
Malay
বাংলা ভাষার
Dansk
Suomi
हिन्दी
Pilipino
Türkçe
Gaeilge
العربية
Indonesia
Norsk
تمل
český
ελληνικά
український
Javanese
فارسی
தமிழ்
తెలుగు
नेपाली
Burmese
български
ລາວ
Latine
Қазақша
Euskal
Azərbaycan
Slovenský jazyk
Македонски
Lietuvos
Eesti Keel
Română
Slovenski
मराठी
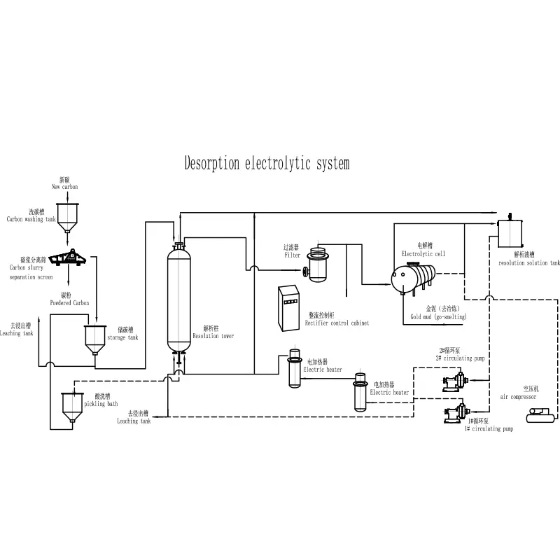
Srpski језик Десорпциони електролитички систем је кључна технологија у савременој екстракцији злата, посебно у процесима угљеник у пулпи (ЦИП) и угљеник у лужењу (ЦИЛ). Овај блог истражује како систем функционише, његове компоненте, предности и зашто је постао стандард у ефикасном опоравку злата. Такође истичемо......
ОпширнијеПотопљени спирални класификатор је витална компонента у преради минерала која побољшава одвајање и класификацију честица у различитим индустријама. У овом чланку ћемо истражити функцију, предности и примену потопљених спиралних класификатора, као и како ЕПИЦ-ова решења доприносе рударској индустрији......
ОпширнијеРезервоари за мешање за лужење су неопходна опрема у рударској индустрији, посебно за вађење вредних метала из руда кроз процесе лужења. У овом блогу ћемо истражити значај, принцип рада и различите врсте резервоара за мешање лужења који се користе у рударској индустрији.
ОпширнијеПотопљени спирални класификатор је критичан део опреме у преради минерала, дизајниран да одваја честице на основу величине и густине путем гравитационе седиментације и механичког кретања. Широко коришћена у рударству, прању песка и индустријским системима класификације, ова машина обезбеђује прецизн......
ОпширнијеЦирцулар Хигх Рате Инцлинед Плате Тхицкенер (ЦХРИПТ) је витални део опреме који се користи у рударству и индустрији прераде минерала. Познат по својој способности да ефикасно одваја чврсте материје од течности, овај згушњивач је кључан у индустријама као што су третман отпадних вода, прерада минерал......
ОпширнијеЦилиндрична пјенаста флотациона ћелија прави револуцију у преради минерала са својим оптимизованим дизајном, побољшаним стопама опоравка и енергетски ефикасним перформансама. Овај свеобухватни водич истражује како се цилиндричне флотационе ћелије разликују од традиционалних модела, њихове принципе р......
Опширније