English
Español
Português
русский
Français
日本語
Deutsch
tiếng Việt
Italiano
Nederlands
ภาษาไทย
Polski
한국어
Svenska
magyar
Malay
বাংলা ভাষার
Dansk
Suomi
हिन्दी
Pilipino
Türkçe
Gaeilge
العربية
Indonesia
Norsk
تمل
český
ελληνικά
український
Javanese
فارسی
தமிழ்
తెలుగు
नेपाली
Burmese
български
ລາວ
Latine
Қазақша
Euskal
Azərbaycan
Slovenský jazyk
Македонски
Lietuvos
Eesti Keel
Română
Slovenski
मराठी
Srpski језик У савременој преради минерала, постизање високоефикасне класификације је кључно за оптимизацију обогаћивања руде и смањење потрошње енергије. Спирални класификатори су се појавили као поуздано решење за одвајање финих честица од грубих материјала у операцијама мокрог млевења. Дизајнирани да задовоље......
ОпширнијеСпирални класификатор је незаменљив део опреме који се широко користи у рударству, металургији, хемијској индустрији и индустрији прераде минерала. Он игра кључну улогу у класификацији, раздвајању и одводњавању финих материјала на основу величине честица и специфичне тежине. Његов спирални дизајн и ......
ОпширнијеМашина за прање песка је критична опрема опреме која се широко користи у индустрији рударства, вађења и грађевине. Помаже у уклањању нечистоћа као што су муљ, прашина и глина из песка и шљунка, осигуравајући чистији и квалитетни коначни производ. Принцип је једноставан, а опет ефикасан: кроз комбина......
ОпширнијеУклањање гвожђа игра пресудну улогу у осигуравању чисте воде и ефикасне прераде минерала у више индустрија. Овај чланак истражује науку, дизајн и предности уклањање гвожђа, објашњавајући како то функционише, зашто је то важно, и шта чини Кингдао Епиц Рударске машине Цо, Лтд. Поуздан име у овој облас......
ОпширнијеУ модерним индустријским операцијама ефикасност индустријског управљања игра критичну улогу у продуктивности и управљању трошковима. Преносна опрема је постала камен темељац у фабрикама, рударству и расутим секторима управљања материјалима. Као неко ко је блиско сарађивао са производним линијама, че......
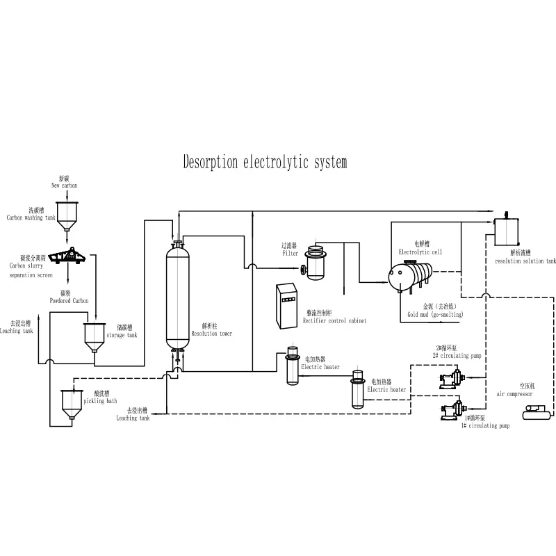
ОпширнијеЦијанидска опрема постала је неопходно решење у рударској и металуршкој индустрији због своје ефикасности, издржљивости и способности да се максимизира опоравак вредних метала. На данашњем високо конкурентном тржишту, компаније непрестано траже поуздана решења која смањују трошкове уз побољшање прои......
Опширније