Шта је десорпциони електролитички систем и зашто је неопходан за савремену екстракцију злата

2026-04-21 - Оставите ми поруку

ТхеДесорпциони електролитички системје кључна технологија у модерној екстракцији злата, посебно у процесима угљеник у пулпи (ЦИП) и угљеник у лужењу (ЦИЛ). Овај блог истражује како систем функционише, његове компоненте, предности и зашто је постао стандард у ефикасном опоравку злата. Такође истичемо како компаније волеЕПИЦпокрећу иновације у овој области. На крају ћете имати свеобухватно разумевање како овај систем побољшава продуктивност, смањује трошкове и побољшава стопе опоравка.

Desorption Electrolytic System

Садржај


Шта је десорпциони електролитички систем

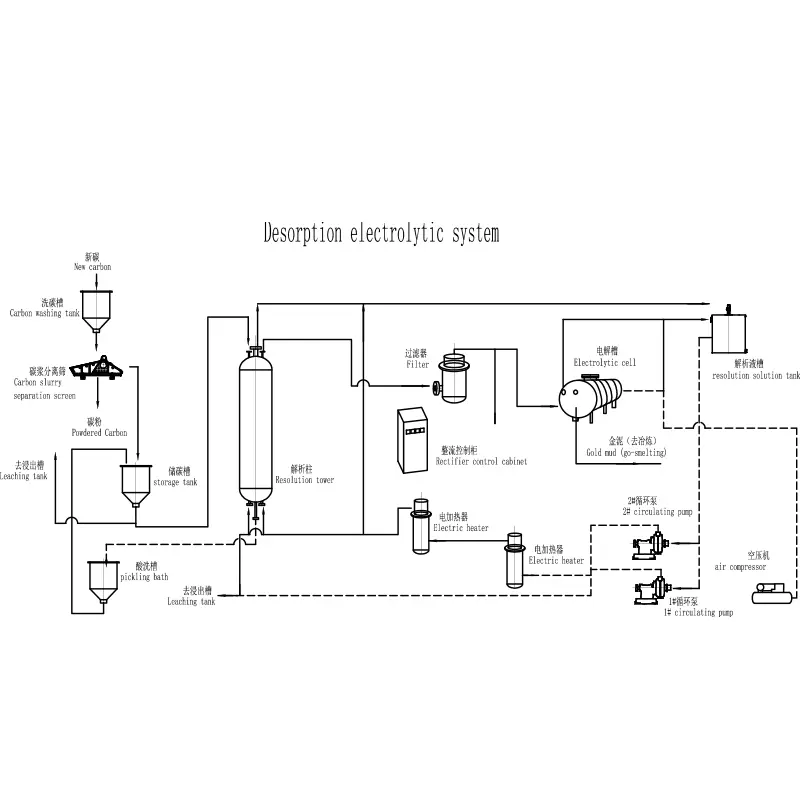
A Десорпциони електролитички системје напредни систем за опоравак злата који се користи за екстракцију злата из активног угља. Широко се примењује у рударским операцијама где се злато апсорбује на честице угљеника током процеса лужења.

  • Десорпција: Уклања злато из угљеника користећи растворе на високој температури и под високим притиском
  • Електролиза: враћа злато из раствора на катоде
  • Систем затворене петље: Осигурава ефикасност и минималан губитак

Овај систем је од суштинског значаја за побољшање ефикасности извлачења и смањење оперативних трошкова, чинећи га кључном компонентом у савременим погонима за прераду злата.


Како функционише десорпциони електролитички систем

Принцип рада аДесорпциони електролитички системукључује две главне фазе:

  1. Фаза десорпције:Угљеник напуњен златом се третира врелим раствором алкалног цијанида, ослобађајући златне јоне.
  2. Фаза електролизе:Раствор богат златом пролази кроз електролитичку ћелију где се злато таложи на катоде од челичне вуне.

Процес обезбеђује високу ефикасност и омогућава непрекидан рад, због чега системи компанија попутЕПИЦсу широко прихваћени у индустријској примени.


Главне компоненте система

Компонента Функција
Десорпциона колона Садржи активни угаљ и олакшава уклањање злата
Елецтролитиц Целл Опоравља злато електролизом
Измјењивач топлоте Одржава потребну температуру
Систем филтера Уклања нечистоће из раствора
Контролни систем Аутоматизује рад и прати параметре

Свака компонента игра виталну улогу у осигуравању да систем функционише ефикасно и доследно.


Техничке предности и карактеристике

  • Висока стопа опоравка злата (до 98%)
  • Ниска потрошња енергије
  • Аутоматизован рад за смањење трошкова рада
  • Компактан дизајн за ефикасност простора
  • Еколошки прихватљив са минималним емисијама

Произвођачи волеЕПИЦконтинуирано оптимизујте ове системе како би задовољили растуће захтеве индустрије, обезбеђујући боље перформансе и поузданост.


Примене у преради злата

ТхеДесорпциони електролитички системсе широко користи у:

  • Постројења за ископавање злата
  • ЦИП (Царбон-ин-Пулп) операције
  • ЦИЛ (Царбон-ин-Леацх) процеси
  • Опоравак јаловине злата

Његова свестраност га чини погодним и за велике индустријске рударство и за мање операције које траже побољшања ефикасности.


Поређење са традиционалним методама

Феатуре Десорпциони електролитички систем Традиционалне методе
Ефикасност Високо Умерено
Аутоматизација Потпуно аутоматизован Ручни или полуаутоматски
Цост Нижи дугорочни трошак Већи оперативни трошкови
Утицај на животну средину Ниско Више

Јасно је да савремени систем пружа значајне предности у односу на традиционалне технике извлачења злата.


Водич за одабир за купце

Приликом избора аДесорпциони електролитички систем, узмите у обзир следеће факторе:

  • Капацитет обраде
  • Ниво аутоматизације
  • Енергетска ефикасност
  • Репутација произвођача (нпр. ЕПИЦ)
  • Подршка након продаје

Одабир правог система осигурава дугорочан оперативни успех и максимални поврат улагања.


Савети за одржавање и рад

  • Редовно проверавајте цевоводе и вентиле
  • Пратите нивое температуре и притиска
  • Повремено чистите електролитичке ћелије
  • Замените истрошене компоненте одмах
  • Строго следите упутства произвођача

Правилно одржавање значајно продужава животни век система и обезбеђује доследне перформансе.


ФАК

1. Која је главна сврха десорпционог електролитичког система?

Његова главна сврха је да ефикасно извуче и поврати злато из активног угља.

2. Колико је ефикасан систем?

Већина система постиже стопу поврата злата од преко 95%, у зависности од услова рада.

3. Да ли је систем еколошки прихватљив?

Да, савремени системи су дизајнирани да минимизирају емисије и смање хемијски отпад.

4. Може ли се прилагодити?

Да, компаније попут ЕПИЦ-а нуде прилагодљива решења заснована на захтевима обраде.

5. Које индустрије користе овај систем?

Пре свега у индустрији ископавања злата, али иу апликацијама за опоравак племенитих метала.


Закључак

ТхеДесорпциони електролитички системпредставља пробој у технологији поврата злата, нудећи неупоредиву ефикасност, поузданост и еколошке перформансе. Уз континуирано напредовање лидера индустрије као што суЕПИЦ, овај систем постаје све важнији за савремене рударске операције. Ако желите да оптимизујете процес вађења злата и побољшате профитабилност, улагање у систем високог квалитета је паметан избор.Контактирајте насданас да сазнате више о томе како можемо да обезбедимо прилагођена решења за ваше потребе.

Пошаљи упит

X
Користимо колачиће да бисмо вам понудили боље искуство прегледања, анализирали саобраћај на сајту и персонализовали садржај. Коришћењем овог сајта прихватате нашу употребу колачића. Политика приватности