Десорпциони електролитски систем
  • Десорпциони електролитски систем Десорпциони електролитски систем

Десорпциони електролитски систем

Као један од професионалног произвођача, Епиц би желео да вам пружи квалитетан систем десорпције електролиције. А ми ћемо вам понудити најбољу услугу након продаје и благовремене испоруке.

Пошаљи упит

Опис производа

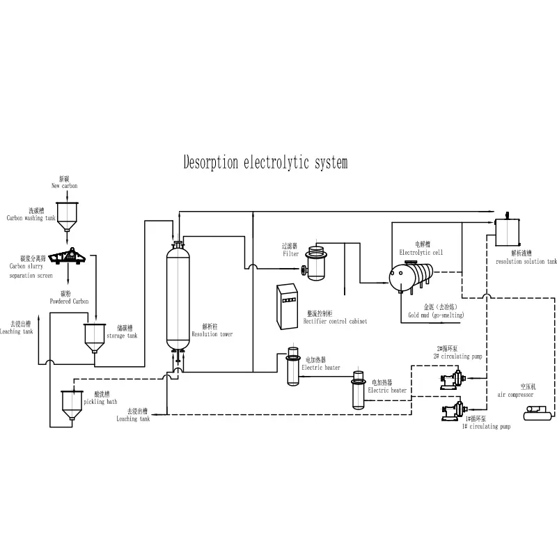
Бити стручњак произвођач, ЕПИЦ има за циљ да вам понуди врхунско десорпциони електролитски систем. Обећавамо да ћемо вам пружити најбољу подршку након продаје и брзе испоруке. У додавању лакшим активираним системом за десорпциони систем угљен-адсорпције, тако да је АУ (ЦН) 2 "замена, реализује десорпцију злата. Течност добијена десорпцијом угљеника у златним златом опоравља се јонизација за добијање чврстог злата. Опрема Карактеристике опреме

1, висока температура, високи притисак, без цијанида, аутоматска контрола десорпције, са високом елдфинцом, потрошња прамца, брзо

Карактеристике: 

СВЕДОК ШЕШЕЉ - ОДГОВОР: Ефикасност: Када је у угљенику за злато достиже 3000 г / т, стопа десорпције може достићи више од 96%, а лоша оцена угљеника може се редовирати са 3-4 пута у поређењу са конвенционалном десорпцијом електролит

Уређај:

Б.Фаст: Температура десорпције електролизе може бити висока као 150 ℃ (30-55 ℃ виша од осталих модела) Радни притисак система до 0,5 мПА (0.2.5.5МПА Високо од осталих модела), тако да је време за десорпцију електролизе врло брзо, обично 12 х, скоро 12 х 

3 пута: Ц.Лов Потрошња: Десорпциона електролитичка температура је иста, нема преноса топлоте, због брзог рада, тако да је укупна потрошња енергије 1 / 2-1 / 4 конвенционалног система.

2 Ниједан цијанид: Десорпциони раствор не треба да додаје натријум цијанид, ниску цену, без загађења:

3, златно блато високог разреда, нема потребе да се преокрене електролизом, лако вађење;

4, аутоматска контрола: Посебно поставите систем контроле нивоа течности, систем контроле температуре и аутоматско управљање контролом;

5, сигурност: са троструком мерама заштите безбедности, наиме самог система интелигентним, ауторатичним механизмом ослобађања притиска притиска, вентил за сигурност осигурања.

Хот Тагс: Десорпциони електролитски систем
Пошаљи упит
Слободно пошаљите свој упит у форму испод. Одговорићемо вам у року од 24 сата.
X
Користимо колачиће да бисмо вам понудили боље искуство прегледања, анализирали саобраћај на сајту и персонализовали садржај. Коришћењем овог сајта прихватате нашу употребу колачића. Политика приватности