Како опрема за цијанидирање побољшава опоравак злата и безбедност локације?

2026-01-08 - Оставите ми поруку

Ако сте икада осетили да је цијанидација „ефикасна, али стресна“, не замишљате то. Хемија функционише – али свакодневна реалност може бити неуредна: променљива руда, прекомерна потрошња реагенса, губици угљеника, неочекивани застоји и константан притисак да се ради безбедно и доследно. Овај чланак разлаже штаОпрема за цијанизирањезаправо треба да уради за вас, шта да питате пре куповине и како да избегнете најскупље грешке.


Абстрацт

МодернаОпрема за цијанизирањеније само скуп резервоара – то је повезани систем дизајниран да контролише услове испирања, стабилизује опоравак, смањује отпад реагенса и одржава руковање цијанидом предвидљивим. Купци се обично боре са четири болне тачке: недоследан опоравак, високи оперативни трошкови, слабе безбедносне контроле и главобоље при одржавању. У наставку ћете добити практичан поглед на модуле цијанидирања (испирање, адсорпција, десорпција/електродобијање, детоксикација и инструментација), матрицу за одабир, савете за пуштање у рад и одељак са честим питањима који можете да користите током разговора са добављачима.


Садржај


Преглед на први поглед

  • Преведите „Треба ми цијанидација“ у комплетан опсег опреме који се може контролисати.
  • Идентификујте који модул покреће ваше губитке (опоравак, реагенс, угљеник или време застоја).
  • Користите једноставну матрицу да упоредите решења за вашу врсту руде и ограничења.
  • Уђите на састанке добављача са контролном листом која брзо открива слабе дизајне.

Тачке бола за правог купца

Када људи купују заОпрема за цијанизирање, често кажу „Потребан ми је већи опоравак“. Оно што обично мисле је: „Потребан ми је опоравак који остаје висок чак и када се руда промени, оператери се ротирају, а локација је удаљена.“ Ево болних тачака које се појављују изнова и изнова:

  • Опоравак се љуљаузроковане варијабилности руде, проблемима млевења, ограничењима кисеоника или лошом контролом пХ вредности.
  • Поскупљење реагенсаод предозирања цијанидом или кречом „само да будемо сигурни“.
  • Проблеми са угљеникомкао што су онечишћење, губитак хабања или лоша кинетика адсорпције.
  • Застојиод кварова пумпе/вентила, хабања абразивног раствора или тешко доступних распореда.
  • Безбедносни стресоко складиштења цијанида, дозирања и спремности за хитне реакције.

Добар дизајн опреме не уклања сву сложеност, али би требало да уклони нагађања.


Шта „опрема за цијанидирање“ укључује

Cyaniding Equipment

у најмању руку,Опрема за цијанизирањетреба схватити као систем који подржава ове функције:

  • Леацхинг: обезбедити време, мешање и контролу хемије за растварање.
  • Голд цаптуре: адсорпција на активни угаљ (ЦИП/ЦИЛ) или путеви преципитације.
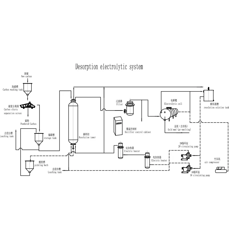
  • Опоравак злата: десорпција и електро-освајање (или алтернативни кругови за опоравак).
  • Детоксикација и руковање јаловином: смањити заостали цијанид на прихватљив ниво.
  • Инструментација и контрола: мери и стабилизује пХ, растворени кисеоник, проток и дозирање.

Ако добављач говори само о „резервоарима“, гурните их да дефинишу цео ток и контролне тачке. Цијанидација је опрост у лабораторијским условима; није праштање у хаотичним теренским условима.


Јасна мапа процеса од Руде до Дореа

Иако се свака биљка разликује, већина путева цијанидације прати препознатљиву кичму. Користите ову мапу да проверите да ли је предложени пакет комплетан:

Стаге Шта мора да постигне Типичан „скривени“ ризик
Предтретман (по потреби) Учините злато доступним и спречите скокове потрошње цијанида Игноришући прег-пљачку, висок ниво бакра или реактивне сулфиде
Леацхинг Стабилно мешање, контролисан пХ и довољно кисеоника Мртве зоне, лош пренос кисеоника, неправилан пХ од слабог система креча
Адсорпција (ЦИЛ/ЦИП) Ефикасно ухватите растворено злато Погрешна величина угљеника/метода преноса; губици угљеника
Елуција / Десорпција Поуздано одвојите злато од угљеника Недоследно загревање/проток доводи до ниске ефикасности одстрањивања
Елецтровиндинг / Смелтинг Опорави и произведе доре Мале ћелије, лоше управљање електролитом, проблеми са руковањем муљем
Деток Смањите заостали цијанид пре испуштања/јаловине Дизајн не одговара варијабилности протока или хемији јаловине

Кључни модули и шта треба проверити

1) Резервоари за лужење и мешање

  • Да ли је дизајн мешања погодан за вашу густину и абразивност?
  • Може ли систем одржавати стабилан пХ под варијабилношћу руде?
  • Да ли је додавање кисеоника практично на вашој локацији (и да ли се у дизајну разматра пренос кисеоника)?
  • Да ли распоред омогућава лаку инспекцију радних кола, облога и лежајева?

2) Адсорпција и пренос угљеника

  • Да ли су међустепени екрани довољно робусни да спрече преношење угљеника?
  • Да ли је пренос угљеника пројектован да смањи лом и губитак?
  • Да ли је дизајн погодан за чишћење и контролу инвентара угљеника?

3) Десорпција и електродобивање

  • Да ли елуционо коло одговара вашим очекивањима за пуњење угљеником?
  • Да ли су контроле грејања и протока стабилне (не зависе од оператера)?
  • Да ли је руковање муљем планирано, а не импровизовано?

4) Дозирање и мерење цијанида

  • Да ли је дозирање аутоматизовано са блокадама или чисто ручно?
  • Какав је план за калибрацију и одржавање сензора у стварном рударском окружењу?
  • Да ли су тачке за узорковање безбедне и добро позициониране, или је то накнадна мисао?

5) Детоксикација

  • Да ли је дизајн детоксикације заснован на вашим циљевима испуштања и хемији јаловине?
  • Може ли да поднесе краткорочне скокове без присилног искључивања?

Практичан савет:Предлог који на папиру изгледа јефтиније често гура трошкове у операције—додатни цијанид, додатни креч, додатни рад на одржавању и „херојско“ понашање оператера. Рачун стиже касније.


Основе величине и спецификације

Не морате бити металург да бисте постављали питања о величини која штите ваш буџет. ЗаОпрема за цијанизирање, логика одређивања величине језгра се врти око пропусности, времена боравка и преноса масе. Пре него што прихватите било који коначни дизајн, уверите се да су ови улази експлицитно наведени:

  • Пројектна пропусност(просек и врхунац, плус очекивана сезонска варијабилност).
  • Циљна величина млевењаа шта се дешава ако млин занесе крупније.
  • Време боравка лужинеи да ли се заснива на тестовима или претпоставкама.
  • План пХ и алкалности(укључујући припрему креча и стабилност дозирања).
  • Стратегија кисеоника(ваздух, кисеоник или ништа) и очекивани утицај на кинетику.
  • Инвентар угљеника(колико угљеника, где се налази и како се прати).

Ако добављач не може да објасни ово једноставним језиком, третирајте то као сигнал ризика - а не као технички проблем.


Сигурност и контрола цијанида која се заиста држи

Безбедност није постер на зиду. Са цијанизацијом, уграђен је у физички дизајн и рутинску контролу. ЈакаОпрема за цијанизирањепакети обично укључују:

  • Садржано складиштење и преносса јасним путевима изливања и логиком спајања.
  • Испреплетено дозирањетако да се цијанид не може додати када кључни услови нису испуњени.
  • Јасан дизајн узорковањашто смањује ризик од изложености током рутинских провера.
  • Спремност за ванредне ситуацијекао део скупа оперативних процедура, а не додатни документ.

Из перспективе купца, ваш посао је једноставан: натерајте предлог да покаже тачно како људи комуницирају са системом. Где они стоје? Шта додирују? Како изолују опрему? Како реагују на квар заптивке пумпе у 2 сата ујутру?


Одакле оперативни трошкови заиста потичу

Ако ваша цена по унци расте, то обично није један драматичан квар – то су мала цурења у систему. У цијанидацији, најчешћи покретачи трошкова су:

  • Потрошња цијанидавођени реактивним минералима, навикама предозирања или лошим контролним петљама.
  • Потрошња кречакада је пХ контрола нестабилна или хемија суспензије није добро схваћена.
  • Губитак угљениказбог исцрпљивања, проблема са екраном или лошег дизајна преноса.
  • Снага и одржавањеод прекомерног мешања, недовољно дизајнираних делова који се троше и изгледа који је тешко сервисирати.
Симптом Вероватно основни узрок Функција опреме која помаже
Опоравак опада када се руда промени пХ/ДО нестабилност; лоше мешање; недовољно време боравка Робусно мешање, бољи контролни инструменти, флексибилан капацитет резервоара
Потрошња цијанида стално расте Овердосинг; минерали који троше велику количину цијанида; лоше мерење Контролисано дозирање, поуздане тачке узорковања, паметнија блокада
Инвентар угљеника се „мистериозно“ смањује Отказивање екрана; трансфер губици; исцрпљеност Издржљиви међустепени екрани, нежан дизајн трансфера, јасан обрачун угљеника
Честа искључења Делови који се хабају, заптивање пумпе, проблеми са приступом Материјали отпорни на хабање, приступ за одржавање, стандардизовани резервни делови

Дизајн поузданости и одржавања

Cyaniding Equipment

Коло за цијанидацију може изгледати „комплетно“ и још увек бити непоуздан ако одржавање није пројектовано. Питајте како добављач приступа:

  • Избор материјалаза зоне абразивног раствора и зоне у контакту са цијанидом.
  • Приступна сита, импелере, облоге, пумпе и инструментацију.
  • Стратегија резервних деловакоји одговара стварности вашег сајта (време испоруке, логистика, складиштење).
  • Стандардизацијакако би се смањио број уникатних предмета за хабање.

У даљинским операцијама, „лако за одржавање“ може да вреди више од „мало ефикасније на папиру“.


Питања добављача која треба да поставите

Користите ову контролну листу на састанцима. Дизајниран је да брзо изнесе слабе предлоге - без претварања разговора у дебату.

  • Који ризици од руде се преузимају, а за које су активно пројектовани?
  • Који су пројектни улази за време боравка, пХ опсег и стратегију кисеоника?
  • Како се контролише дозирање цијанида и шта се дешава током квара сензора?
  • Како се губитак угљеника спречава и мери у рутинским операцијама?
  • Какав је план приступа за одржавање сита, мешалица и пумпи?
  • Које су препоручене контроле руковаоца по смени и како су оне безбедне?
  • Која подршка за пуштање у рад је укључена и која обука оператера је обезбеђена?

Ако процењујете добављаче, може вам помоћи да разговарате са произвођачем који може да обезбеди комплетан пакет за цијанидацију и подржи детаље интеграције. на пример, Кингдао ЕПИЦ Мининг Мацхинери Цо., Лтд.пружа решења опреме за обраду рударства где се пакети за цијанидацију сматрају системима—лужење, адсорпција, опоравак и контрола—а не одвојени сет резервоара.


ФАК

Шта чини опрему за цијанидирање „модерном“, а не основном?

Модерни дизајни се фокусирају на управљивост и поновљивост: стабилно дозирање, поуздано мерење, сигурније узорковање, робусна заштита од хабања и распореди који смањују импровизацију оператера. Циљ је конзистентан опоравак са мање отпада реагенса и мање прекида рада.

Да ли опрема за цијанизирање може економично да рукује рудом ниског квалитета?

Може, али само када је коло пројектовано око ваше кинетике и профила потрошње. Операције ниског квалитета имају тенденцију да буду осетљиве на прекомерну потрошњу реагенса и застоје, тако да контролни системи, дизајн хабања и управљање угљеником постају посебно важни.

Како да знам да ли ми треба ЦИП или ЦИЛ?

Избор обично зависи од кинетике лужења и колико брзо растворено злато треба да се ухвати. Ако се злато брзо раствара и желите да га одмах ухватите, ЦИЛ може бити привлачан. Ако испирање има користи од одвајања пре адсорпције, ЦИП може боље да се уклопи. Металуршки тестови и практична ограничења локације требало би да воде одлуку.

Зашто потрошња цијанида понекад нагло порасте?

Уобичајени узроци укључују промене минерала руде, лошу контролу пХ вредности, неочекивано ограничење кисеоника или контаминацију у процесној води. Добар план контроле плус поуздане тачке узорковања чине ове шиљке лакшим за дијагностицирање и брзо исправљање.

Шта да дам приоритет ако је мој сајт удаљен и нема довољно особља?

Дајте приоритет могућности одржавања и аутоматизацији која смањује ручно руковање: издржљиви екрани, приступачан распоред опреме, стандардизовани резервни делови, блокирано дозирање и јасне радне рутине које се не ослањају на „једног стручног оператера“.


Закључак

КуповинаОпрема за цијанизирањена крају се ради о смањењу неизвесности. Хемија је можда доказана, али ваша профитабилност зависи од доследне контроле, практичног одржавања и безбедности која ради у стварним сменама са стварним људима. Ако планирате ново постројење или надограђујете постојеће коло, изнесите своју реалност руде, циљеве пропусности и ограничења локације - и инсистирајте на предлогу који третира цијанидацију као потпуни систем који се може контролисати.

Спремни да свој план цијанидације претворите у поуздану, исплативу операцију?Поделите своју врсту руде, циљни капацитет и услове локације, иконтактирајте насда разговарамо о практичној конфигурацији опреме која одговара вашем постројењу и вашим оператерима.

Пошаљи упит

X
Користимо колачиће да бисмо вам понудили боље искуство прегледања, анализирали саобраћај на сајту и персонализовали садржај. Коришћењем овог сајта прихватате нашу употребу колачића. Политика приватности